| 品牌oemer | 有效期至長期有效 | 最后更新2024-03-13 16:16 |
| 瀏覽次數184 |
概況:
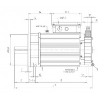
液冷發動機
LQ 系列
代表了高性能三相異步電機
適用于高性能三相異步電動機的液冷發動機
性能,適用于工業應用。
主要的創新是外殼
外殼由擠壓鋁制成
集成了電機熱交換系統
通過強制循環冷卻
冷卻液。特別是,這些新型發動機
可獲得極高的比功率
與外部體積和
IP 55 防護等級。結構緊湊
非常緊湊且形狀規則的發動機
與機器結構和
即使在惡劣的環境中,也不會有任何降級或禁忌。
即使在特別惡劣和嚴酷的環境條件下
極端惡劣的環境條件
惡劣的環境溫度
環境和空氣污染。
LQ Sincrovert® 電機的優勢
軸輸出功率/扭矩大
現代設計
高動力和高速度
整體尺寸非常小
可在惡劣的環境條件下使用
運行非常安靜
效率高
可提供多種選擇
使用部門:
使用該系列電機的主要行業有
電機的主要行業有
食品
機械和金屬加工
塑料加工
紡織
鋼鐵
印刷
運輸和牽引
典型應用領域:
塑料、橡膠和食品擠出機
金屬加工
塑料注塑機
紙張和紙板生產線
機床和加工附件
印刷機
發動機和變速箱測試系統
電力驅動和推進
液體冷卻
LQ 系列
交流三相異步液冷變頻電機
SH: 100、132、160、180、225、280 毫米
編號 3,2...456 千瓦
Mn: 40...2660Nm

| 王鈳深 QQ:2455880176 手機:18510519230 電話:010-64714988-191 傳真:010-84786709-667 郵件:2455880176@qq.com |
![]() | ![]() |
工作日
9:00-18:00