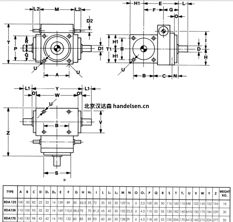
MARZORATI 調速齒輪箱 RDA

MARZORATI RDA系列由帶蝸桿的差速器與錐齒輪箱NRA系列組合而成;MARZORATI RDA系列有 5 種尺寸和 4 種比例可供選擇。
| 張曼麗 QQ:3541447690 手機:18500768072 電話:010-64714988-195 傳真:010-84786709-667 郵件:sales95@handelsen.cn |
![]() |
![]() |
MARZORATI RDA系列
型號:
RDA 125
RDA 150
RDA 170
MARZORATI 調速齒輪箱 RDA125
MARZORATI RDA125倒檔相位調節裝置.RDH 僅以 1:2 和 1:3 的比例生產


MARZORATI RDA系列
型號:
RDA 125
RDA 150
RDA 170
客服熱線:15538055081












